Skip to main content
Language
English
Español
Français
Menu
Bathroom
Kitchen
Brands
Inspiration
Support
Showroom Locator
Bathroom
Kitchen
Brands
Inspiration
Support
Showroom Locator
Search site
Search
Search
Go back to previous article
Username
Password
Sign in
Sign in
Sign in
Forgot password
Expand/collapse global hierarchy
Home
Technical Literature
Riobel
Bath and Shower Component Parts
Elbow Supply and Wall Brackets: 700 Series
R739
Expand/collapse global location
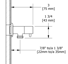
R739
Last updated
Save as PDF
Parts Sheets
R739.exp
Specification Sheets
R739.spec